局部放電測試系統局放試驗操作方法說明
局放操作說明
(1)試驗設備
①檢查試驗場地的接地情況,將本局部放電測試系統后部的接地螺栓29用粗銅線(最好用編制銅帶)與試驗場地的接地妥善相接,輸入單元的接地短路片也要妥善接地。
②根椐試品電容Ca,藕合電容Ck的大小,選取合適序號的輸入單元檢測靈敏度,表中調諧電容量是指從輸入單元初級繞組兩端看到的電容(按Cx和Ck的串聯值粗略估算)。
輸入單元應盡量靠近被測試品,輸入單元插座經8米長電纜與后面板上放大器輸入插座“31”相接。
③試品接入輸入單元的方法主要有以下幾種:
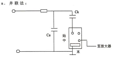
圖中:Ca——試品 Ck——藕合電容 Z——阻塞阻抗
R3、C3、R4、C4——橋式接法中平衡調節阻抗。
④在高壓端接上電壓表電阻或電容分壓器,其輸出經測量電纜接到后面板試驗電壓輸入插座30。
⑤在未加試驗電壓的情況下,將KJF98-Ⅰ校正脈沖發生器的輸出接試品兩端。
(2)局部放電測試系統操作說明
①開機準備:將時基顯示方式開關18置于“橢圓”。
②放電量的校正:按圖接好線后,在未加試驗電壓之前用校正脈沖發生器予以校正。
注意:方波測量盒應盡量靠近試品的高壓端。紅端子引線接高壓端。
③然后調節放大器增益調節“6”、“7”,使該注入脈沖高度適當(示波屏上高度2cm以下),使數字表“4”,指針表“2”上的讀數值與注入的已知電量相符。調定后放大器細調旋鈕“7”的位置不能再改變,需保持與校正時相同。
注:校正完成后必須去掉校正方波發生器與試驗回路的連接。
④測試操作:接通高壓試驗回路電源,零標開關至“通”位置,緩緩升高試驗電壓,橢圓上出現兩個零標脈沖。
旋轉“橢圓旋轉”開關“1 7”,使橢圓旋轉到預期的放電處于最有利于觀測的位置,連續升高電壓,注意第一次出現的持續放電,當放電量超過規定的最低值時的電壓即為局部放電起始電壓。
在規定的試驗電壓下,觀測到放電脈沖信號后,調節放大器粗調開關“6”(注意:細調旋鈕“7”的位置不能再變動),使顯示屏上放電脈沖高度在0.2~2cm之間(數字電壓表上的PC讀數有效數字不能超過120.0),則數字表頭的讀數乘以或除以10(粗調開關換檔倍率) 即為放電量值讀數。
⑤注意:本儀器使用數字表頭顯示放電量,其滿度值定為100超過該值即為過載,不能保證精度,超過該值需撥動增益粗調開關轉換到低增益檔。
試驗過程中常會發現有各種干擾,對于固定相位的干擾,可用時間窗裝置來避開。合上開關“12”、“13”,用一個或兩個時間窗,并用電位器“10”、“11”來改變橢圓上加亮區域的寬度和位置,使其避開干擾脈沖之處,用時間窗裝置可以分別測量產生于兩個半波內的放電量。
- 上一篇: 繼電保護校驗儀開關機操作步驟及注意事項
- 下一篇: SF6氣體密度繼電器校驗儀主菜單及功能說明














